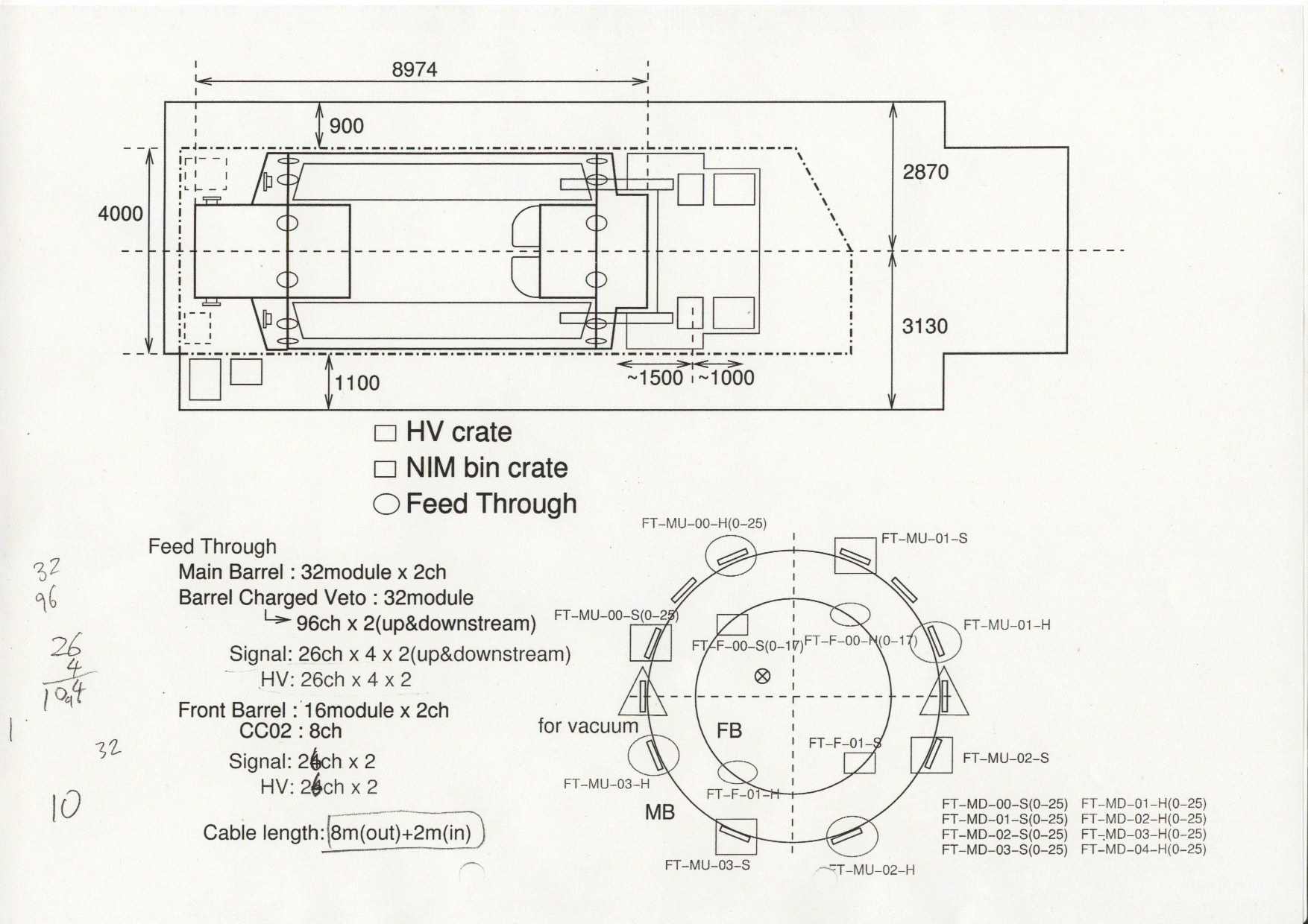
Drawings of Vacuum System

Overview of vacuum system

Signal Feed-through

HV Feed-through

Cable connection